123
Item nr.


Philips GM2884 RF Generator

RF generator, used for aligning and testing radios.

Data for Philips GM2884
ProductionThe Netherlands, 1950.
BandsA 100-250 kHz, B 250-600 kHz, C 600-1500 kHz, D 1.5-4 MHz, E 4-10 MHz, F 10-25 MHz.
TubesECH21 (HF osc.), ECH21 (LF osc. and modulator), EZ2 (rectifier).
CabinetSteel. Size 25x17x16 cm.
PowerAC.
DocumentsService documentation, schema, component layout.

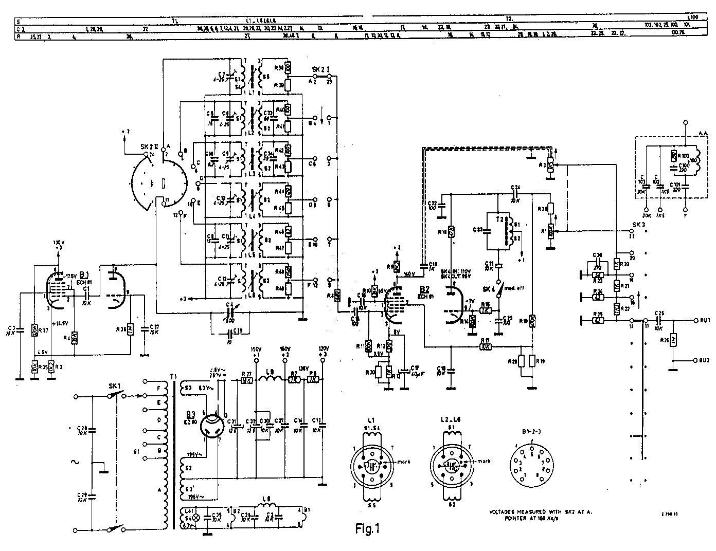
The Design

The heptode and triode of the first ECH21 form an oscillator. Its output is amplified by the heptode of the second ECH21. The triode of that tube can oscillate at audio frequencies (400 Hz) to give a 40% modulated signal. Strange enough, the swich is a screw in the side panel.

To see the component layout, you have to unscrew a lot of bolts because Philips did not economize on the number of screws to close its professional equipment. In the left part you see the two ECH21 amidst the six band coils; the closed box there houses the tuning capacitor. The right part has the power transformer and the rectifier.


Obtained3/1999 from NVHR Swap Meet.
Condition8.
DisposedSold 3/2015.

This Object

The coil for band A is interrupted, so that band doesn't operate. Later the whole set didn't work because of a short in the wiring in an extremely difficult to reach place. I repaired it by changing some of the wiring layout.

To allow a more flexible modulation than just the 400Hz tone, I made the connection to the modulation grid external.


Part of Gerard's Radio Corner.
Generated by SiteBuilder on 6/9/2025 by Gerard