63
Item nr.


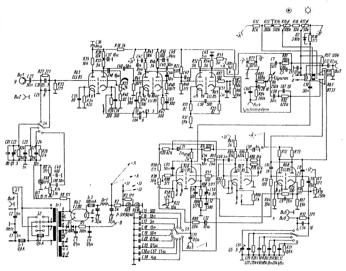
RFT EO1/71a Oscilloscope

Small oscilloscope for hobby and training.

Data for RFT EO1/71a
ProductionGDR, 1967.
BandsVertical (Y) bandwidth 5MHz, Horizontal (X) bandwidth 1MHz, Luminance (Z) bandwidth 5MHz.
Tubes6xECC85 (circuits), EZ80 (rectifier), B7S1 (picture tube).
CabinetSteel. Size 17x22x28 cm. Weight 8 kg.
PowerAC, 110W.
DocumentsSchema.

The Design

RFT means Radio Funk Technik, this is the name of an electronics factory in the former German Democratic Republic. RFT also produced the notorious Kolibri radio, which could not be tuned: it was factory adjusted to receive two of the so-called democratic programs, controlled by the state (Radio Historisch Tijdschrift 81).

The scope function can be tested with a built-in square "generator"; actually a limiter on the power sine wave.


Obtained4/1997 from Queen's Day Market with twin; sn = 52 205.
Condition7.
DisposedSold 5/2020.

This Object

Most of the radio repairs can be done without complicated measuring tools, but from time to time I use these machines for a nasty job. Themselves they were both in working order when I bought them. I got these as a real bargain. On Queen's Day we usually have markets in the cities in our country. I saw these two oscilloscopes, both with a price tag of 7.50 guilders. I would not think of bargaining or negociating with good equipment being offered at this price, but hesitated a second about buying one scope or both. Perhaps the stall holder was afraid I was not going to buy any of it, and told me I could get the two oscilloscopes together for 10 guilders. (In today's money that is 4.54 euros.) The seller was an employee of the University of Utrecht, where the scopes were in use in student laboratories during the nineteen sixties and seventies; he had bought them from the University when they got replaced by more modern equipment. Getting the documentation cost me twice the price of two scopes.

Part of Gerard's Radio Corner.
Generated by SiteBuilder on 6/9/2025 by Gerard