254
Item nr.


VEF 202 Portable

Russian DX-er's paradise

Data for VEF 202
ProductionUSSR, 1975.
Price was 99.02 Rubles.
BandsLW (150-400 kHz), MW (540-1600 kHz), 52m (3.9-5.7 MHz), 49m (5.85-6.3 MHz), 41m (7.0-7.4 MHz), 31m (9.5-9.775 MHz), 25m (11.7-12.1 MHz).
Semi-
conductors
10 transistors.
CabinetPlastic.
PowerBatt 6xD.
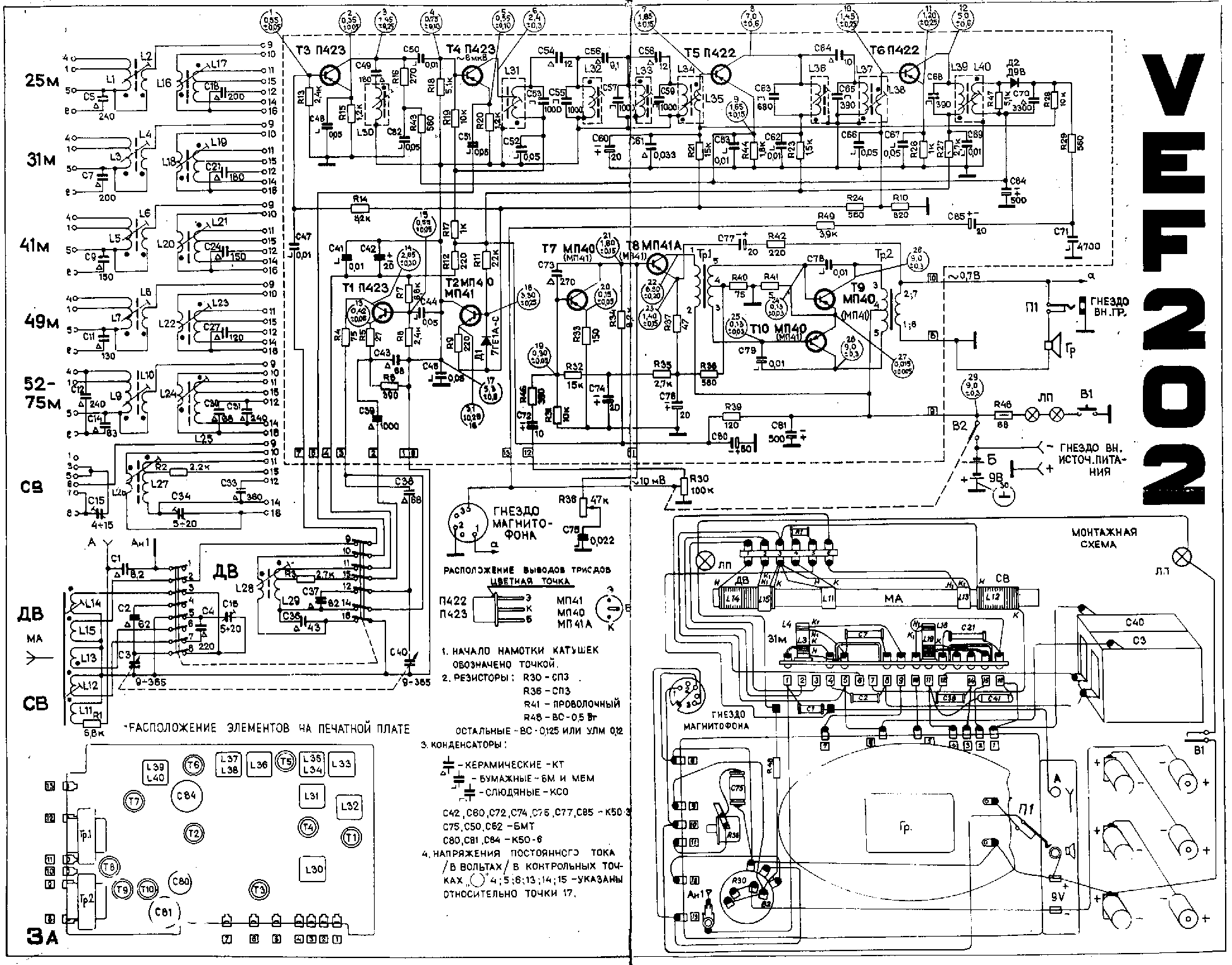
DocumentsSchema.

The Design

For some time I had been longing for one of these Russian multiband portables. This one was fairly priced and in good condition. Actually I was quite surprised that radios of this quality could be bought under communism. No problem to receive imperialist broadcasts with a machine like this!

The VEF radios (predecessor of this machine was the VEF204) were famous for their good reception and low battery consumption.

Photo of VEF 12 Clearly this kind of machine was produced during a long period of time. It seems that the design of the VEF204 goes back as far as 1960 (which I find hard to believe actually) and at the other hand, radios like these were sold new in Cuba around 1989, thirty years later. This picture shows the VEF12 produced between 1968 and 1973.


Obtained4/2005 from Marktplaats (Peter van den Berg).
Condition7.
DisposedSold 12/2012.
Sound samplePLAY SOUND   With Shortwave radios one can overhear distant stations, playing exotic styles of music. Due to waving movements in the higher earth atmosphere, the sound can fade in and out as happens near the end of this recording.

This Object



Part of Gerard's Radio Corner.
Generated by SiteBuilder on 6/9/2025 by Gerard